欢迎光临~苏州萨沃纳国昆消防
服务热线 全国服务热线:

133-7212-5666

常见问答

优兰特GX400移动式消防排烟机-GX400机动排烟风机

一、特点:
1、优兰特GX400移动消防排烟机使用力弓专利技术有效延长射程;
2、GX400移动式排烟机全幅可折叠手柄,便于操作;
3、WIDE-Trac自动聚氨酯轮胎可使排烟机牢牢固定于湿地,草坪,泥沼等各种坑洼不平之地;
4、ONE-STEP调脚踏式角度调校器可轻松设定倾斜角度;
5、全焊钢架,越野型“笼式护框”,配有宽脚垫降低振幅,延长风机使用寿命;
6、计时器有效追踪维护周期;
7、GX400正压式机动排烟机已配雾化系统;

24.jpg

二、参数表:

型号

DP-GX400

货号

GE5003

CCCF 货号

YY4.1/5.27-12.5-GX400/8

单门风量28555m3/hr
双门风量38250m3/hr
仓库门风量53040m3/hr

CCCF风量

12500m3/hr

运行时间

108min

叶片数量7
风机直径54cm

重量

40kg

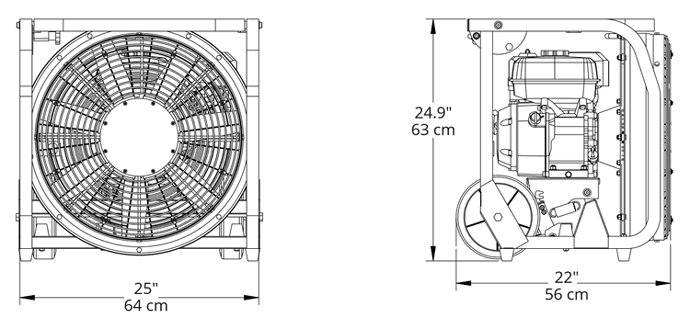
体积(高/宽/长)

630/640/560 mm

噪音

96.1 dB

发动机功率

Honda 5.5Hp/4.1kW

认证证书

CE/CCC

三、结构图:

四、使用案例:


导航栏目

联系我们

联系人:沈先生

手 机:133-7212-5666

邮 箱:China@swn.cn

公 司:苏州萨沃纳国昆消防

地 址:江苏省昆山市春晖路666号

用手机扫描二维码关闭
二维码
版权所有:昆山市玉山镇国昆消防工程技术服务部 备案号:苏ICP备2023031317号-7