欢迎光临~苏州萨沃纳国昆消防
服务热线 全国服务热线:

133-7212-5666

UB20xx便携式防爆排烟机

型号:UB20xx
风量:1666m3/hr
体积:356/305/365mm
电话:133-7212-5666
产品描述:【苏州萨沃纳】供应UB20xx便携式防爆排烟机,此款UB20xx防爆风机常用于易燃易爆环境通风换气使用,化工厂防爆风机,实验室防爆风机,便携式防爆风机,储罐防爆通风机.询:133-7212-3999

一、UB20xx便携式防爆排烟机特点:
1、UB20xx便携式防爆排烟机获得安全防爆ATEX认证,可以在易爆环境中安全使用;
2、UB20xx便携式防爆排烟机体积小,质量轻;
3、坚固双壁机壳,耐腐蚀,抗撞击,耐化学药剂,防雨淋;
4、UB20xx便携式防爆排烟机超静音运行;
5、马达及整机都通过了美国ATEX防爆认证,可用于易燃易爆环境;
6、新加强的外壳防撞击,防化学品,抗老化,坚固耐久;
7、风机防护罩,拉/按钮开关及自动热断路功能马达多种安全特性;
8、结构紧凑,重量轻,噪音小,轻巧便携式设计;
9、粗大排气孔,高达1666m3/h出风量,且风量集中;
10、与风筒管配合使用,只需简单几步即可工作;
二、UB20xx便携式防爆排烟机参数表:

型号

UB20xx

自由风量

1666m3/hr

4.6m 1-90°转角

1120m3/hr

4.6m 2-90°转角

947m3/hr

7.6m 1-90°转角

1025m3/hr

7.6m 2-90°转角

867m3/hr

风机直径

20cm

重量

10kg

体积

356/305/365mm

电源线长度9米

噪音

74db

功率

0.25kW

电源

220VAC,1ø

运行电流

1.2a

认证证书

CE  ATEX

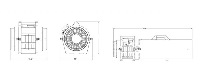
三、UB20xx便携式防爆排烟机结构图:

四、UB20xx便携式防爆排烟机使用案例:


在线询价

用手机扫描二维码关闭
二维码
版权所有:昆山市玉山镇国昆消防工程技术服务部 备案号:苏ICP备2023031317号-7