欢迎光临~苏州萨沃纳国昆消防
服务热线 全国服务热线:

133-7212-5666

AFi75xx便携式气动防爆通风机

型号:AFi75xx
风量:3471m3/hr
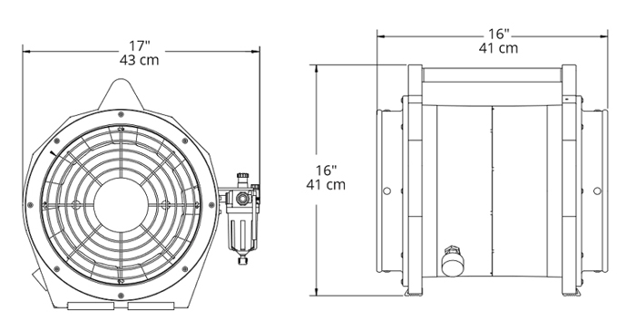
体积:410/430/410mm
电话:133-7212-5666
产品描述:【苏州萨沃纳】供应AFi75xx便携式气动防爆通风机,此款AFi75xx气动防爆排烟机属于气动正负压排烟机,AFi75xx气动防爆风机常用于化工厂,实验室,储罐等易燃易爆环境通风,密闭受限空间防爆排烟机
,咨询:133-7212-5666

一、AFi75xx便携式气动防爆通风机特点:
1、AFi75xx便携式气动防爆通风机可在易爆环境中安全使用;
2、AFi75xx便携式气动防爆通风机采用空气驱动,属于气动轴流风机;
3、铝制涡轮叶片经过高精度动平衡调节;
4、高强度,含玻纤加强型ABS机壳,轻巧,防腐,耐化学药剂,耐用,PC / ABS防静电外壳具有防风雨,抗凹陷,v0阻燃和耐化学腐蚀性;
5、AFi75xx便携式气动防爆通风机配备风管适配器;
6、配排气管,压缩空气带动烟机运行;
7、配备过滤器,马达润滑器,排气消声器,空气控制;
8、阀及静电接地器,2个集成管道适配器,静电接地线;
9、紧凑型气动风机, 气动马达在管道外排气。
二、AFi75xx便携式气动防爆通风机参数表:

产品型号

AFi75xx

产品货号

AB7000

无阻碍风量

3471m3/hr

空气消耗量

68 m3/hr

感应比例

51:1

风机直径30cm

重量

15kg

体积(h/w/d)

410/430/410mm

压缩机功率4.77kw

噪音

89dB

气动马达

GAST-4AM-NRV-50C

认证证书

CE

三、AFi75xx便携式气动防爆通风机结构图:

三、AFi75xx便携式气动防爆通风机结构图:


在线询价

用手机扫描二维码关闭
二维码
版权所有:昆山市玉山镇国昆消防工程技术服务部 备案号:苏ICP备2023031317号-7