欢迎光临~苏州萨沃纳国昆消防
服务热线 全国服务热线:

133-7212-5666

EFi120xx便携式防爆通风机

型号:EFi120xx
风量:6375m3/hr
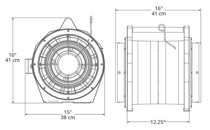
483/457/407mm
重量:25kg
产品描述:【苏州萨沃纳】供应EFi120xx便携式防爆通风机,此款EFi120xx防爆排烟机属于电动正负压排烟机,常用于化工厂,实验室,储罐等易燃易爆环境通风,密闭受限空间防爆排烟机,咨询:1337212-5666

一、EFi120xx便携式防爆通风机特点:
1、EFi120xx便携式防爆通风机是料塔,储罐通风,气体泄漏或烟雾驱散产品,严苛的认证可以使用在危险的环境中,正负压排烟通风,可根据不同使用环境选择风管以及风机释放的大风量让你的工作变的更高效;
2、安全:EFi120xx便携式防爆通风机专为危险场所设计,通过美国ATEX整机防爆认证,IP65淋雨测试,高强度、耐化学药剂、采用ABS机壳,全封闭马达隔绝易燃,即使较危险的场所也轻松应对;
3、轻便:EF120xx便携式设计,内置风管适配器,可选择多款风管,高性能马达释放巨大压力和风量且只产生很小的噪音;
4、高效能:EFi120xx铝制涡轮叶片经过高精度动平衡调节,无阻碍风量可达4,250m3/hr。
5、EFi120xx便携式防爆通风机属于防爆正负压风机;
6、电机驱动以迁移高能量气体;
7、可叠放方便存储;
8、高强度,抗静电ABS机壳轻巧,防腐,耐化学药剂;
9、密闭开关经过IP65雨淋测试;
10、配备风管适配器;
11、铝制涡轮叶片经过高精度动平衡调节;
12、9M电源线
二、EFi120xx便携式防爆通风机参数表:

产品型号

EFi120XX

产品货号

EA8120XX

无障碍风量

6375m3/hr

4.6m1-90o转角

4590m3/hr

叶轮

7

风机直径40cm

重量

25kg

体积(h/w/d)

483/457/407mm

噪音

86.1dB

发动机功率

0.9kW(1.2Hp)

电源

110/240VAC,1Φ,50Hz

电流

启动:240V:10.8A运行:240V:5.5A

认证证书

EX II 2 G Ex de IIB T6 CE

发动机认证

EX II 2 G Ex d IIB

三、EFi120xx便携式防爆通风机结构图:

四、EFi120xx便携式防爆通风机使用案例:


在线询价

用手机扫描二维码关闭
二维码
版权所有:昆山市玉山镇国昆消防工程技术服务部 备案号:苏ICP备2023031317号-7